座機:027-87580888
手機:18971233215
傳真:027-87580883
郵箱:didareneng@163.com
地址: 武漢市洪山區魯磨路388號中國地質大學校內(武漢)
華北地區天津市濱海新區小王莊零碳小鎮地熱供暖
文章來源:地大熱能 發布作者: 發表時間:2025-03-18 09:26:33瀏覽次數:2769
一、項目基本情況
1. 基本情況
小王莊鎮地熱供暖項目,位于天津市濱海新區小王莊鎮,服務區域為欣園里、向陽里小區,供熱面積25.05萬㎡,其中欣園里小區15.65萬㎡,有85%為2000年以前的二步節能建筑;向陽里區域9.4萬㎡,均為2000年以前的二步節能建筑。熱用戶含住宅、學校、其它公建等。欣園里、向陽里,原供暖熱源均為燃氣鍋爐房,由小王莊鎮政府建設運營。
2. 地熱資源
欣園里、向陽里區域存在兩類熱儲層:一類是以砂巖為主的孔隙型熱儲層(主要是新近系名化鎮組和館陶組熱儲),全區分布;另一類是以碳酸鹽巖為主的巖溶裂隙型熱儲層(主要為薊縣系霧迷山組熱儲),滄東斷裂帶及以西埋深較淺,滄東斷裂以東埋深大。
(1)明化鎮組作為華北區域的戰備水源,禁止開采。區域內霧迷山組熱儲埋深較大,綜合考慮項目的經濟性和地質上的不確定性,未考慮霧迷山組。
(2)新近系館陶組熱儲層在向陽里、欣園里及周邊區域廣泛分布,本項目將新近系館陶組熱儲作為主力開采層。熱儲頂板埋深在1150~1700m之間,一般厚度為250~408m。熱流體富集段巖性以粉-細砂巖和含礫砂巖為主,底部砂礫巖賦水性差異較大。根據區域水文地質資料,該熱儲層單井涌水量43.75~100m3/h,出水溫度57~70.5℃。
3. 投資建設規模
本項目利用中深層地熱水作為供暖熱源,利用已有探井兩口,新建地熱井2口,新建換熱站站內設備2座,一次管網敷設約1800m。設計總供暖能力12010kW。本項目已于2022年10月建成并投入使用,穩定運行第2個供暖季。
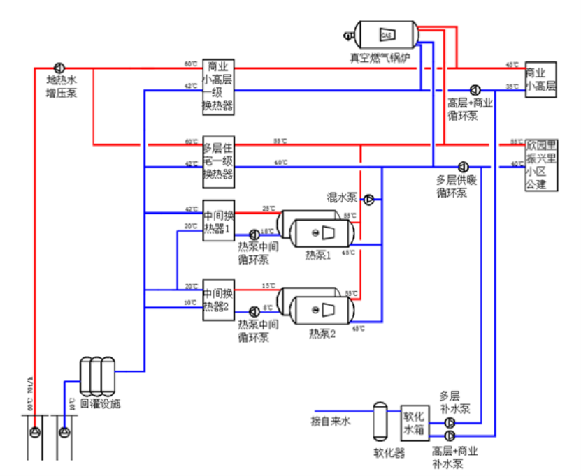
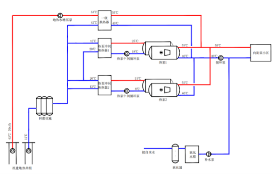
二、技術路線及工藝流程
(1)負荷情況
項目總供暖面積25.05萬㎡,其中,欣園里小區供暖面積為15.65萬㎡,向陽里小區供暖面積為9.40萬㎡。供暖不分高、低區,末端為暖氣片,小高層為節能建筑,末端為地板輻射供暖。系統供暖熱媒水溫度按55℃/40℃設計。考慮居民建筑入住率約70%,同時公建及底商夜晚時段為低負荷運轉,設計熱負荷按統計熱負荷的85%(欣園里)和90%(向陽里)考慮。
(2)技術路線
項目利用中深層地熱水作為供暖熱源,采用“間接換熱、梯級利用、采灌均衡”的工藝流程,為天津濱海新區小王莊鎮提供冬季供暖熱源。
項目利用已有探井兩口,新建地熱井2口,新建換熱站站內設備2座,其中1座換熱站需擴建100㎡,一次管網敷設共計約為1800m,板式換熱器7臺,熱泵機組4臺,循環水泵12臺,地熱井水泵4臺,除砂器2臺;設計總供暖能力12010kW,保障濱海新區小王莊欣園里小區和向陽里小區共計25.05萬㎡建筑冬季供暖任務。
(3)系統配置
項目建設兩套地熱系統,一套位于欣園里區域,一套位于向陽里區域。
1)根據供暖熱負荷,欣園里區域需熱量7104kW,配置館陶地熱井2口(其中1口為已有探井),其中生產井1口,回灌井1口。地熱井水溫60℃,水量70m3/h。熱源配比采用1:1的采灌比例,達到完全回灌的效果。配套螺桿式水源熱泵作為系統提升熱源和調峰熱源,熱泵COP=5。
向陽里區域需熱負荷為4667.85kW,配置鑿館陶組砂巖地熱井2口(其中1口為已有探井),其中生產井1口,回灌井1口。熱源配比采用1:1的采灌比例,達到完全回灌的效果。

(4)運行情況
向陽里站新建兩口地熱井(1采1灌),以地熱+熱泵系統替代原有的承壓燃氣鍋爐;欣園里站新建兩口地熱井(1采1灌),以地熱+熱泵+低氮冷凝常壓熱水鍋爐系統替代原有的承壓燃氣鍋爐。目前兩個項目已經全部完工并投入使用。
建成后首個供暖期,根據天津市統一要求為2022年11月1日至2023年3月25日。經地熱能源改造后,欣園里、向陽里小區的主要供熱能耗以少量電力維持系統運行為主,燃氣為輔。
三、經營模式
1. 投資建設方式
小王莊地熱供暖項目,鎮政府通過招標,確定由中石化綠源地熱開發有限公司作為該示范項目的實施主體。鎮政府提供原鍋爐房,綠源公司改造為地熱供熱站。
2. 經營方式
完全按照《天津市供熱用熱條例》、地方政府其它供熱要求執行,綠源公司負責經營管理,合作期限30年。
3. 供熱價格
雙反約定,供熱價格按天津市有關供熱費價格文件規定計收,居民價格為25元/㎡,非居民價格為40元/㎡,合同有效期內,遇價格調整時,按照調價文件規定執行。
四、效益分析
1. 環保效益
項目安全環保滿足要求,節能減排效果較好,建設完成后相比于燃煤集中供熱項目,每個供暖季可節省標準煤4291.14t,減排二氧化碳10556.2t,減排二氧化硫147.06t,減排氮氧化物34.64t。
2. 社會效益
首先,本項目,充分利用該區域豐富的地熱資源供暖,結合小王莊鎮“零碳小鎮”計劃,實現了地熱資源的綜合利用,滿足天津市、濱海新區的總體戰略布局,實現了綠色、低碳可持續的供熱。
其次,加強了可再生能源的利用,推進節能減排,建設資源節約型、環境友好型社會。
再次,該項目原先為燃氣鍋爐房供暖,供熱成本較高;地熱改造后,大大緩解了政府財政補貼壓力。
五、突出亮點
1. 技術路線、系統集成
利用中深層地熱水作為供暖熱源,采用“間接換熱、梯級利用、采灌均衡”的工藝流程。利用已有兩口探井,新建2口地熱井,新建換熱站站內設施2套,一次管網敷設共計約為1800m,設計總供暖能力12010kW。
2. 地熱井
本項目地熱井構造位于黃驊坳陷板橋凹陷南部,該井原設計為橋式濾水管完井工藝,根據天津分公司對該區地質情況的分析調研,申請將欣園里回灌井工藝更改為射孔完井工藝。砂巖熱儲回灌一直是制約孔隙型地熱可持續發展的難題,也是一個瓶頸問題。欣園里砂巖回灌井采用射孔完井工藝,取得了良好的效果,實現100%同層回灌,為公司在天津砂巖地熱市場開發提供了技術途徑,同時在對于京津冀乃至全國砂巖回灌領域的地熱的開發提供了成功經驗。
3. 環境效益
每個供暖季可節省標準煤4291.14t,減排二氧化碳10556.2t,減排二氧化硫147.06t,減排氮氧化物34.64t。
4. 社會效益
有效助力小王莊鎮打造“零碳小鎮”建設,是天津市助力新農村建設的示范項目。響應政府加快農村能源轉型要求,結合“零碳小鎮”計劃,充分利用自身地熱資源優勢,因地制宜地推動地熱能供暖對燃氣供暖的替代,有序地打造鄉村振興與城鎮高質量發展的新陣地。
六、問題和建議
在北方廣大農村地區可以加大推廣此模式,以“地熱+”模式替代原有燃氣供熱模式,實現供熱清潔能源結構調整。節省政府燃氣補貼費用,按照一定比例收取熱源配套補貼費用,降低項目一次性建設成本,通過政企合作,實現多方共贏。
上一篇 > 中鋁科學技術研究院二期地源熱泵供暖(制冷)系統項目工程
下一篇 > 天津某高端公寓污水源熱泵供暖制冷項目








